Sold Out
Arduinoで動くアクチュエータ FESTO SLGE3310-350-J75816
商品コード
51234
商品の概要と仕様
Arduinoで動くアクチュエータ(FESTOのボールねじ一体型アクチュエータ)です。
ボールねじの種類:精密
全長:約525mm(モータ含まない)
ボールねじの径:Φ10mm
ボールねじのリード:10mm
有効ストローク:350mm
入力軸径:Φ6mm
フォトマイクロセンサ:EE-SX671(オムロン)×2個
ステッピングモータ:当社オリジナル42mm角2相ステッピングモーター(両軸タイプ)
ボールねじの種類:精密
全長:約525mm(モータ含まない)
ボールねじの径:Φ10mm
ボールねじのリード:10mm
有効ストローク:350mm
入力軸径:Φ6mm
フォトマイクロセンサ:EE-SX671(オムロン)×2個
ステッピングモータ:当社オリジナル42mm角2相ステッピングモーター(両軸タイプ)
おもりを載せて上下させたようす
JOG運転のようす
原点復帰のようす
商品の状態
タイトルに「Arduinoで動く」と入れましたのは、当社にてアクチュエータ本体に2相ステッピングモータを取り付け、そのモータからのケーブルの先端にコネクタも取り付けて、Arduino+CNCシールド(2018年10月時点で2,630円)に差し込めばすぐに使えるようにしてあるためです。
もちろんこのCNCシールドに限らず、TRIOやTRAなど、あらゆるドライバで動かすことができます。(今回付属するケーブルはArduino+CNCシールド基板に合わせてバイポーラ仕様に変更してあるため、TRIOやTRAなどのユニポーラ式ドライバで駆動する場合には、ステッピングモーターケーブル(521031、または、521032)を別途お買い求めいただく必要がございます。)
以降の説明は、下記を前提としています。
・ArduinoとCNCシールドは、こちら(Amazon)から購入したものを使用しています。
・そのArduinoには、最新版のGrblをアップロードしています。
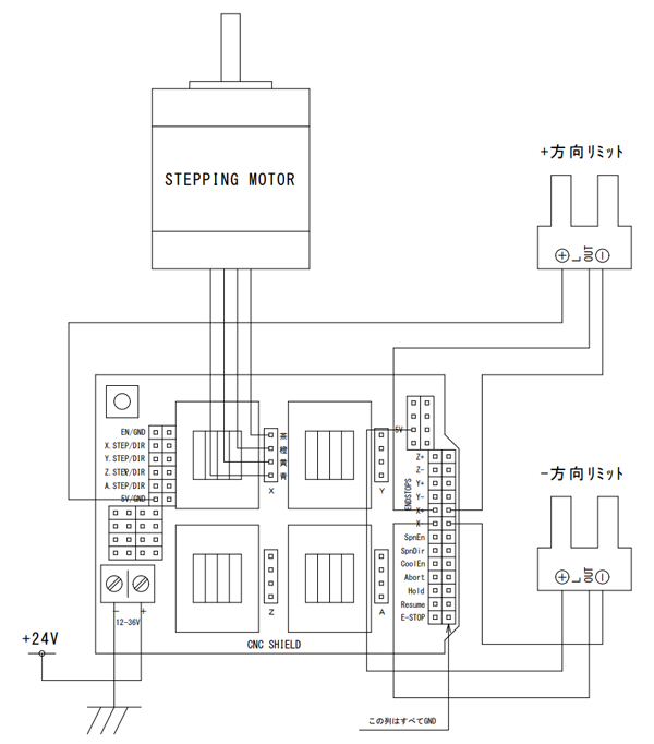
Arduinoで動かすには、コネクタを下記の写真と図を参照してCNCシールドに差し込んでください。(CNCシールドのコネクタがピンヘッダのため誤挿入を防止することができません。差し込み箇所を間違えないようご注意をお願いします。)


※今回、各リミットセンサ(フォトマイクロセンサ)の(+)は、差し込むだけでご利用いただけるようにCNCシールド基板の5Vに接続するようにしましたが、付属のフォトマイクロセンサはDC5~24Vで動作するため、24Vに接続していただいても構いません。
■垂直可搬質量について
アクチュエータ自体の最大可搬質量はメーカーのカタログの3ページ目にあるようにモータが100Wのとき18kgなのですが、今回当社で装着した2相ステッピングモータによる駆動において、具体的にどのぐらいの可搬質量になるのかを、簡単な方法ではありますが、おもりを使って調べてみました。
結果は、下記の写真のように8kgのおもりを上下させることができました。このページの下のほうで動画がご覧になれます。
一見非力に見えるモータですが、速度が2500mm/min、加減速が150mm/sec^2でこれだけの重さを上下させることができるとは、私たち自身も驚きました。速度と加減速を落とせばもっと重いものを上下できると思います。

■原点復帰について
アクチュエータ本体にリミットセンサが2つ取り付けられています。Arduinoでは、リミットセンサを原点としても使用します。リミットセンサからのケーブルの先端にコネクタを取り付けておきましたので、上記の通りに差し込んで頂ければ原点復帰ができます。
原点復帰のようすを動画に収めました。このページの下のほうでご覧になれます。
リミットセンサ(フォトマイクロセンサ)に「L」という端子があり、ピンク色の線に接続されていますが、これはどこにも繋がないでください。このL端子は、+に接続することで動作が反転する機能 (通常は「センサを遮ったときON」ですが、それを「センサを遮ったときOFF」にする機能)ですが、今回は使用しません。
~参考までに~
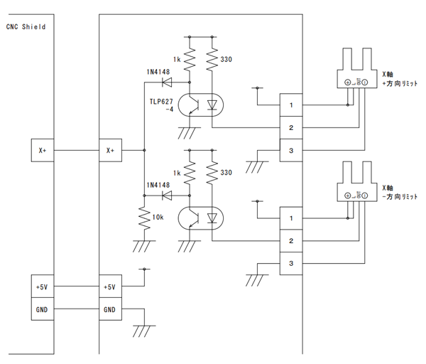
CNCシールドのリミット入力は、「X+」、「X-」というように、1軸に対して2つのリミットを接続できるようになっています。しかし回路をよく確認してみると、実はその二つは同じポートに接続されていて、独立していません。つまり、CPUから見ると、+側のリミットが働いたのか、-側のリミットが働いたのかを判別できないのです。おそらくポートの節約のためにこうしてあるのでしょう。
このためソフトウェアにて、+方向に動いているときにリミットが働いたら+リミットと判断し、-方向に動いているときにリミットが働いたら-リミットとして判断しているはずです。
ただ、この方法だと困ったことが起きます。それは、フォトマイクロセンサが2個で、かつ、遮光OFFで使いたい時です。(一般的に工場では安全を確保するためにフェールセーフ、つまり、断線や故障したときに安全側に働くようにするので、遮光OFFで使うことがほとんどです。つまり今回のフォトマイクロセンサで言えば、L端子を+に接続して使います。)
リミットスイッチがマイクロスイッチなどの接点であればAND接続(直列)にすればよいだけなので簡単ですが、FA製品の多くは、フォトマイクロセンサが使われています。フォトマイクロセンサはこちらの記事にも書かれているように、AND接続はできません。
これを実現するには、参考までに下記のような回路を作るとよいと思います。(この回路は当社で実験し正常に動作することを確認した上で掲載していますのでご安心ください)
この回路を使用するときは、Gbrlの設定の$5(limit pins invert)を1に変更にする必要があります。


なお、原点復帰は、デフォルトでZ軸→XY軸というように動作するため、3軸揃っていなければ完了できません。しかし今回は、1軸のみで使用するため、config.hを下記のように変更し、X軸だけで原点復帰が完了できるようにしています。
詳しくはこちらをご覧ください。

■ドライバ(A4988)の設定について
A4988には、モータに電流が流れ過ぎないよう電流を制限する機能が搭載されています。その電流値は、下記の写真のようにドライバ基板上のボリュームを回しながら、ボリュームとGND間の電圧(VREF)を調整することで設定します。下記はその電圧(VREF)を算出するための計算式です。
Imax=Vref/0.4
本アクチュエータに装着されている2相ステッピングモーターの定格電流(Imax)は、1.2Aです。この計算式にあてめるとVREFが0.48Vになるので、ボリュームとGND間の電圧が0.48Vになるよう調整を行ってください。
なお、A4988には運転の頻度によって異なりますが、発熱が大きくなり、CNCシールドに付属のヒートシンクでは不十分になる可能性があります。その場合はヒートシンクを大きくするか、電流値を下げてご使用ください。


■Grblの設定について
$100(1mmあたりのステップ数)の設定は、ボールネジのピッチが10ミリ、ステッピングモータの1周あたりのパルス数が3200なので、3200÷10=320となり、$100=320となります。
$1は、次の動作に移るまでの停留時間ですが、255に設定すると停止時にもモータに電流を流し位置を保持します。今回はおもりを上下させる運転を行ったため255にしました。そうしないと停止した瞬間に落下してしまうためです。
ただ、255ですと発熱も大きくなってしまいますので、用途にあわせて設定を変更してください。
そのほかの最高速度や加減速等の設定は用途に合わせて調整してください。
実際にこの設定値で動作させたところを動画に収めました。このページの下のほうでご覧になれます。

※1周あたりのパルス数が3200というのは、CNCシールドのマイクロステップの分割数を1/16にしているためです。下記の青い枠のところにショートピンを3つ接続すると1/16になります。

■当社にて2相ステッピングモータを装着した上でご提供する理由
今回のようなアクチュエータは、多くの場合、5相ステッピングモータか、サーボモータを装着して使用することがほとんどですが、今回私たちは、2相ステッピングモータを装着した上でご提供したいと考えました。その理由をご説明したいと思います。
3Dプリンタの世界的な普及に伴い、低価格で高性能な2相ステッピングモータ用ドライバがたくさん出回るようになりました。たとえば今回使用したCNCシールドには、A4988というドライバモジュールが搭載されていますが、これは単品ですとたったの300円程度で入手することができます。一方、5相ステッピングモータ用ドライバは最低でも1.2万円、サーボモータ用ドライバとなると5万円以上します。
今回、そのA4988ドライバモジュールを使ってアクチュエータを駆動させてみたところ、このページの下のほうの動画にあるように、2500mm/minの速さで8kgもの重さを上下できました。垂直で8kgということは、水平ならその何倍もの可搬質量ということになります。このため、もはや何十倍、何百倍ものコストを掛けてまで5相やサーボを使う必要はないように思いました。
2相ステッピングモーターならば世界中にあるたくさんのドライバを利用できますし、当社のTRAやTRIOにだって接続可能です。さらに、2相のドライバはこれからも速いスピードで進化し、より高性能なものを低価格で入手できるようになるでしょう。そう考えると、5相やサーボを選ぶことは、デメリットにさえ思えてきます。
もちろん5相やサーボは当社でも販売しておりますのでご購入いただければ嬉しいのですが、ここは2相ステッピングモーターにしておいてコストを抑え、その分メカのほうにお金をかけたほうがいいような気がします。メカは、基板やソフトに比べて、作り直すのに大変な手間と費用がかかるからです。なので最初からある程度良いメカにしておいたほうが、長期的に見て後悔のない結果となるように思います。
このような理由から、2相ステッピングモータを装着した状態でご提供させていただくに至りました。私たちは今後も、アクチュエータに2相ステッピングモータを装着させた上でご提供してみたいと思っています。
■アルミハンドルについて
本アクチュエータに装着されている2相ステッピングモータは両軸タイプですので、アルミハンドルの装着が可能です。自動だけではなく手動でも動かしたいという場合には便利です。よろしければご利用ください。
アルミハンドルはこちらから購入可能です。(131097 アルミハンドル穴径Φ5が適用可能です)

■フォトマイクロセンサについて
本アクチュエータには側面にセンサレールが装着されているため、ストローク全域にわたってフォトマイクロセンサを簡単に取り付けることができます。標準で2つ付属していますが、追加したい場合は下記よりご購入が可能です。
移動中のあるタイミングで何かをONしたいといった用途に便利です。
・オムロン フォトマイクロセンサ EE-SX671
・オムロン コード付コネクタ EE-1006
■ご自身で好きなモーターを取り付けて使いたい場合
今回はArduinoですぐに動かせるようにモータを取り付けた上でのご提供となりましたが、もし、ご自身で好きなモーターを取り付けて使いたいという場合には、下記をご利用ください。ただ、モーター取り付け部のネジのピッチが32.5mmとなっており、2相ステッピングモーターや5相ステッピングモーターのピッチとは異なるため、そのまま取り付けることができません。
・FESTO アクチュエータ SLGE3310-350-J75816
■商品の状態
すべて未使用品のため綺麗です。(アクチュエータ本体も、モーターもケーブルもセンサもカップリングも全部未使用品です)
ステッピングモータ用ケーブル、フォトマイクロセンサ用ケーブル(2本)を付属します。
ArduinoやCNCシールド基板は付属しません。
もちろんこのCNCシールドに限らず、TRIOやTRAなど、あらゆるドライバで動かすことができます。(今回付属するケーブルはArduino+CNCシールド基板に合わせてバイポーラ仕様に変更してあるため、TRIOやTRAなどのユニポーラ式ドライバで駆動する場合には、ステッピングモーターケーブル(521031、または、521032)を別途お買い求めいただく必要がございます。)
以降の説明は、下記を前提としています。
・ArduinoとCNCシールドは、こちら(Amazon)から購入したものを使用しています。
・そのArduinoには、最新版のGrblをアップロードしています。
Arduinoで動かすには、コネクタを下記の写真と図を参照してCNCシールドに差し込んでください。(CNCシールドのコネクタがピンヘッダのため誤挿入を防止することができません。差し込み箇所を間違えないようご注意をお願いします。)


※今回、各リミットセンサ(フォトマイクロセンサ)の(+)は、差し込むだけでご利用いただけるようにCNCシールド基板の5Vに接続するようにしましたが、付属のフォトマイクロセンサはDC5~24Vで動作するため、24Vに接続していただいても構いません。
■垂直可搬質量について
アクチュエータ自体の最大可搬質量はメーカーのカタログの3ページ目にあるようにモータが100Wのとき18kgなのですが、今回当社で装着した2相ステッピングモータによる駆動において、具体的にどのぐらいの可搬質量になるのかを、簡単な方法ではありますが、おもりを使って調べてみました。
結果は、下記の写真のように8kgのおもりを上下させることができました。このページの下のほうで動画がご覧になれます。
一見非力に見えるモータですが、速度が2500mm/min、加減速が150mm/sec^2でこれだけの重さを上下させることができるとは、私たち自身も驚きました。速度と加減速を落とせばもっと重いものを上下できると思います。

■原点復帰について
アクチュエータ本体にリミットセンサが2つ取り付けられています。Arduinoでは、リミットセンサを原点としても使用します。リミットセンサからのケーブルの先端にコネクタを取り付けておきましたので、上記の通りに差し込んで頂ければ原点復帰ができます。
原点復帰のようすを動画に収めました。このページの下のほうでご覧になれます。
リミットセンサ(フォトマイクロセンサ)に「L」という端子があり、ピンク色の線に接続されていますが、これはどこにも繋がないでください。このL端子は、+に接続することで動作が反転する機能 (通常は「センサを遮ったときON」ですが、それを「センサを遮ったときOFF」にする機能)ですが、今回は使用しません。
~参考までに~
CNCシールドのリミット入力は、「X+」、「X-」というように、1軸に対して2つのリミットを接続できるようになっています。しかし回路をよく確認してみると、実はその二つは同じポートに接続されていて、独立していません。つまり、CPUから見ると、+側のリミットが働いたのか、-側のリミットが働いたのかを判別できないのです。おそらくポートの節約のためにこうしてあるのでしょう。
このためソフトウェアにて、+方向に動いているときにリミットが働いたら+リミットと判断し、-方向に動いているときにリミットが働いたら-リミットとして判断しているはずです。
ただ、この方法だと困ったことが起きます。それは、フォトマイクロセンサが2個で、かつ、遮光OFFで使いたい時です。(一般的に工場では安全を確保するためにフェールセーフ、つまり、断線や故障したときに安全側に働くようにするので、遮光OFFで使うことがほとんどです。つまり今回のフォトマイクロセンサで言えば、L端子を+に接続して使います。)
リミットスイッチがマイクロスイッチなどの接点であればAND接続(直列)にすればよいだけなので簡単ですが、FA製品の多くは、フォトマイクロセンサが使われています。フォトマイクロセンサはこちらの記事にも書かれているように、AND接続はできません。
これを実現するには、参考までに下記のような回路を作るとよいと思います。(この回路は当社で実験し正常に動作することを確認した上で掲載していますのでご安心ください)
この回路を使用するときは、Gbrlの設定の$5(limit pins invert)を1に変更にする必要があります。


なお、原点復帰は、デフォルトでZ軸→XY軸というように動作するため、3軸揃っていなければ完了できません。しかし今回は、1軸のみで使用するため、config.hを下記のように変更し、X軸だけで原点復帰が完了できるようにしています。
詳しくはこちらをご覧ください。

■ドライバ(A4988)の設定について
A4988には、モータに電流が流れ過ぎないよう電流を制限する機能が搭載されています。その電流値は、下記の写真のようにドライバ基板上のボリュームを回しながら、ボリュームとGND間の電圧(VREF)を調整することで設定します。下記はその電圧(VREF)を算出するための計算式です。
Imax=Vref/0.4
本アクチュエータに装着されている2相ステッピングモーターの定格電流(Imax)は、1.2Aです。この計算式にあてめるとVREFが0.48Vになるので、ボリュームとGND間の電圧が0.48Vになるよう調整を行ってください。
なお、A4988には運転の頻度によって異なりますが、発熱が大きくなり、CNCシールドに付属のヒートシンクでは不十分になる可能性があります。その場合はヒートシンクを大きくするか、電流値を下げてご使用ください。


■Grblの設定について
$100(1mmあたりのステップ数)の設定は、ボールネジのピッチが10ミリ、ステッピングモータの1周あたりのパルス数が3200なので、3200÷10=320となり、$100=320となります。
$1は、次の動作に移るまでの停留時間ですが、255に設定すると停止時にもモータに電流を流し位置を保持します。今回はおもりを上下させる運転を行ったため255にしました。そうしないと停止した瞬間に落下してしまうためです。
ただ、255ですと発熱も大きくなってしまいますので、用途にあわせて設定を変更してください。
そのほかの最高速度や加減速等の設定は用途に合わせて調整してください。
実際にこの設定値で動作させたところを動画に収めました。このページの下のほうでご覧になれます。

※1周あたりのパルス数が3200というのは、CNCシールドのマイクロステップの分割数を1/16にしているためです。下記の青い枠のところにショートピンを3つ接続すると1/16になります。

■当社にて2相ステッピングモータを装着した上でご提供する理由
今回のようなアクチュエータは、多くの場合、5相ステッピングモータか、サーボモータを装着して使用することがほとんどですが、今回私たちは、2相ステッピングモータを装着した上でご提供したいと考えました。その理由をご説明したいと思います。
3Dプリンタの世界的な普及に伴い、低価格で高性能な2相ステッピングモータ用ドライバがたくさん出回るようになりました。たとえば今回使用したCNCシールドには、A4988というドライバモジュールが搭載されていますが、これは単品ですとたったの300円程度で入手することができます。一方、5相ステッピングモータ用ドライバは最低でも1.2万円、サーボモータ用ドライバとなると5万円以上します。
今回、そのA4988ドライバモジュールを使ってアクチュエータを駆動させてみたところ、このページの下のほうの動画にあるように、2500mm/minの速さで8kgもの重さを上下できました。垂直で8kgということは、水平ならその何倍もの可搬質量ということになります。このため、もはや何十倍、何百倍ものコストを掛けてまで5相やサーボを使う必要はないように思いました。
2相ステッピングモーターならば世界中にあるたくさんのドライバを利用できますし、当社のTRAやTRIOにだって接続可能です。さらに、2相のドライバはこれからも速いスピードで進化し、より高性能なものを低価格で入手できるようになるでしょう。そう考えると、5相やサーボを選ぶことは、デメリットにさえ思えてきます。
もちろん5相やサーボは当社でも販売しておりますのでご購入いただければ嬉しいのですが、ここは2相ステッピングモーターにしておいてコストを抑え、その分メカのほうにお金をかけたほうがいいような気がします。メカは、基板やソフトに比べて、作り直すのに大変な手間と費用がかかるからです。なので最初からある程度良いメカにしておいたほうが、長期的に見て後悔のない結果となるように思います。
このような理由から、2相ステッピングモータを装着した状態でご提供させていただくに至りました。私たちは今後も、アクチュエータに2相ステッピングモータを装着させた上でご提供してみたいと思っています。
■アルミハンドルについて
本アクチュエータに装着されている2相ステッピングモータは両軸タイプですので、アルミハンドルの装着が可能です。自動だけではなく手動でも動かしたいという場合には便利です。よろしければご利用ください。
アルミハンドルはこちらから購入可能です。(131097 アルミハンドル穴径Φ5が適用可能です)

■フォトマイクロセンサについて
本アクチュエータには側面にセンサレールが装着されているため、ストローク全域にわたってフォトマイクロセンサを簡単に取り付けることができます。標準で2つ付属していますが、追加したい場合は下記よりご購入が可能です。
移動中のあるタイミングで何かをONしたいといった用途に便利です。
・オムロン フォトマイクロセンサ EE-SX671
・オムロン コード付コネクタ EE-1006
■ご自身で好きなモーターを取り付けて使いたい場合
今回はArduinoですぐに動かせるようにモータを取り付けた上でのご提供となりましたが、もし、ご自身で好きなモーターを取り付けて使いたいという場合には、下記をご利用ください。ただ、モーター取り付け部のネジのピッチが32.5mmとなっており、2相ステッピングモーターや5相ステッピングモーターのピッチとは異なるため、そのまま取り付けることができません。
・FESTO アクチュエータ SLGE3310-350-J75816
■商品の状態
すべて未使用品のため綺麗です。(アクチュエータ本体も、モーターもケーブルもセンサもカップリングも全部未使用品です)
ステッピングモータ用ケーブル、フォトマイクロセンサ用ケーブル(2本)を付属します。
ArduinoやCNCシールド基板は付属しません。
在庫数
売り切れ