Sold Out
Arduinoで動くアクチュエータ NSK モノキャリア MCM08020P10-301A
商品コード
51239
商品の概要と仕様
Arduinoで動くアクチュエータ(NSKのボールねじ一体型アクチュエータ)です。
精度規格:精密級
全長:約435mm(モーターを除く)
ストローク:200mm
ボールねじ外径:15mm
ボールねじリード:10mm
入力軸径:Φ10mm
センサユニット:MC-SR08(近接センサ)
ステッピングモータ:日本電産サーボ KH56KM2MP-003 両軸タイプ(当社にて装着)
写真の6枚目の検査成績証の通り、バックラッシ1μmと、メーカーも太鼓判を押す非常に高精度なアクチュエータとなっております。(複数セットをご用意しましたが、数値がそれぞれ若干異なります。バックラッシはどれも1μmです)
精度規格:精密級
全長:約435mm(モーターを除く)
ストローク:200mm
ボールねじ外径:15mm
ボールねじリード:10mm
入力軸径:Φ10mm
センサユニット:MC-SR08(近接センサ)
ステッピングモータ:日本電産サーボ KH56KM2MP-003 両軸タイプ(当社にて装着)
写真の6枚目の検査成績証の通り、バックラッシ1μmと、メーカーも太鼓判を押す非常に高精度なアクチュエータとなっております。(複数セットをご用意しましたが、数値がそれぞれ若干異なります。バックラッシはどれも1μmです)
おもりを載せて上下させたようす
現在位置表示のようす
JOG運転のようす
商品の状態
タイトルに「Arduinoで動く」と入れましたのは、当社にて、アクチュエータ本体に2相ステッピングモータを取り付け、そのモータのケーブルの先端にコネクタも取り付けて、Arduino+CNCシールド(2018年10月時点で2,630円)に差し込めばすぐに使えるようにしてあるためです。
もちろんこのCNCシールドに限らず、他のあらゆるドライバで動かすことができます。(今回付属するケーブルはArduino+CNCシールド基板に合わせてバイポーラ仕様に変更してあるため、ユニポーラのドライバで駆動する場合には、別途ケーブルをご用意いただく必要がございます。)
以降の説明は、下記を前提としています。
・ArduinoとCNCシールドは、こちら(Amazon)から購入したものを使用しています。
・そのArduinoには、最新版のGrblをアップロードしています。
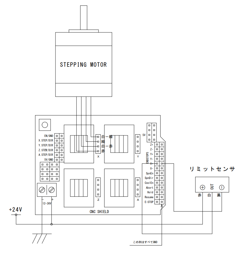
Arduinoで動かすには、コネクタを下記の写真と図を参照してCNCシールドに差し込んでください。(CNCシールドのコネクタがピンヘッダのため誤挿入を防止することができません。差し込み箇所を間違えないようご注意をお願いします。)


※本アクチュエータに装着されているセンサの電源電圧はDC12~24Vですので、(+)の赤い線は、CNCシールドの電源端子の+に接続します。
■垂直可搬質量について
本アクチュエータに装着されている2相ステッピングモータ駆動した場合、具体的にどのぐらいの可搬質量になるのかを、簡単な方法ではありますが、おもりを使って調べてみました。
結果は、8kgのおもりを上下させることができました。このページの下のほうで動画がご覧になれます。垂直で8kgということは水平ではその何倍もの可搬質量を得られますが、アクチュエータ自体の定格を超えることはできません。アクチュエータ自体の定格荷重についてはメーカーのカタログでご確認いただけます。

■原点復帰について
アクチュエータ本体にリミットセンサ(近接センサ)が取り付けられています。Arduinoでは、リミットセンサを原点としても使用します。リミットセンサからのケーブルの先端にコネクタを取り付けておきましたので、上記の通りに差し込んで頂ければ原点復帰ができます。
今回、アクチュエータに装着されているセンサがフォトマイクロセンサではなく近接センサなので、原点復帰後の停止位置の繰り返し精度があまり良くないのではないかと思っていたのですが、当社のテストでは0.01mm以下と良好でした。
リミットセンサの配線についてですが、ステッピングモータと一緒に束ねないことをおすすめします。ステッピングモータから発せられるノイズは非常に強く、それがセンサのラインに乗ってしまい、原点復帰が正常に行われない場合があります。
なお、原点復帰は、デフォルトでZ軸→XY軸というように動作するため、3軸揃っていなければ完了できません。しかし今回は、1軸のみで使用するため、config.hを下記のように変更し、X軸だけで原点復帰が完了できるようにしています。
詳しくはこちらをご覧ください。

■ドライバ(A4988)の設定について
A4988には、モータに電流が流れ過ぎないよう電流を制限する機能が搭載されています。その電流値は、下記の写真のようにドライバ基板上のボリュームを回しながら、ボリュームとGND間の電圧(VREF)を調整することで設定します。下記はその電圧(VREF)を算出するための計算式です。
Imax=Vref/0.4
本アクチュエータに装着のステッピングモータは、当社のテストでは、Imaxを1.5Aとして設定するとちょうどよいと判断しました。この計算式にあてめると、VREFが0.6Vになります。ボリュームとGND間の電圧が0.6Vになるよう調整を行ってください。
なお、運転の頻度によって異なりますが、A4988の発熱が大きくなり、CNCシールドに付属のヒートシンクでは不十分になる可能性があります。その場合はヒートシンクを大きくするか、電流値を下げてご使用ください。


■Grblの設定について
$100(1mmあたりのステップ数)の設定は、ボールネジのピッチが10mm、ステッピングモータの1周あたりのパルス数が3200なので、3200÷10=320となり、$100=320となります。
$27(homing pull-off)の設定は、3.0以上に設定してください。私たちは当初、この設定を1.0にしていたのですが、エラーが発生してしまい、原点復帰後の停止位置にもバラツキがありました。原因は、付属の近接センサの検出エリアが広いためでした。つまり、原点復帰では終了後に$27で設定した距離だけ動くようになっているのですが、そのあともリミットが働いたままだとエラーになってしまうのです。このため3.0に変更してあげるとエラーが出なくなります。
$5の設定 (limit pins invert)は0としてください。付属のリミットセンサは検出時にONとなるタイプのためです。
$1は、次の動作に移るまでの停留時間ですが、255に設定すると停止時にもモータに電流を流し位置を保持します。今回はおもりを上下させる運転を行ったため255にしました。そうしないと停止した瞬間に落下してしまうためです。ただ発熱してしまうので、用途にあわせて設定を変更してください。
そのほかの最高速度や加減速の設定は用途に合わせて調整してください。
実際に下記の設定値で動作させたところを動画に収めました。このページの下のほうでご覧になれます。

※1周あたりのパルス数が3200というのは、CNCシールドのマイクロステップの分割数を1/16にしているためです。下記の青い枠のところにショートピンを3つ接続すると1/16になります。

■アルミハンドルについて
本アクチュエータに装着されている2相ステッピングモータは、両軸タイプではありますが、片側が丸シャフトではなくギヤになっています。
このためプーリーなどは取り付けることができませんが、ハンドルならば問題ありません。自動だけではなく手動でも動かしたいという場合には便利ですので、よろしければご利用ください。
アルミハンドルはこちらから購入可能です。(131097 アルミハンドル穴径Φ5が適用可能です)

■座標モニタ(デジタルリードアウト)について
本アクチュエータに装着しているステッピングモータ(KH56KM2MP-003)には、アバゴテクノロジー製のエンコーダモジュール(HEDS-5645)が搭載されています。データシートはこちらのサイトで公開されています。
これを利用すれば、座標モニタ(デジタルリードアウト)をつくることができます。自動で動かす時はPC画面で座標を確認できますが、手動で動かすときも座標を知りたいという場合にはとても便利です。
こちらの作品のようにマイコンを使ってデジタルリードアウトを自作するというのも面白と思います。
その際には7セグメントディスプレイ 10個入りをお安くご提供していますので合わせてご検討ください。
当社では手っ取り早くオムロンのカウンタ(H7CX-A11-N)を使用した座標モニタを作ってみました。リアルタイムで座標が変化するようすを動画に収めました。このページの下のほうでご覧になれます。
参考までに下記に回路図を掲載します。(当社で実際に製作し正常に動作することを確認した上で掲載しています)
※パスコンは回路図の通り入れる必要があります。TLP554は高感度のアンプを内蔵しており発振を起こしやすいためです。
※ノイズについても正確な位置表示のためにはきちんと配慮してあげる必要があります。最低でもエンコーダーとモータのケーブルは分離させたほうがよいです。



オムロンのカウンタは下記のように設定しました。
・NPN/PNP入力モード(DIPスイッチ):NPN
・入力モード:UP/DOWN C (位相差入力)
・計数速度:5kHz
・プリスケール:0.025(エンコーダーの分解能が400p/r、ボールネジのリードが10mmなので、 10mm÷400p/r=0.025)
・小数点位置(dP):----.--
■当社にて2相ステッピングモータを装着した上でご提供する理由
今回のようなアクチュエータは、多くの場合、5相ステッピングモータか、サーボモータを装着して使用することがほとんどですが、今回私たちは、2相ステッピングモータを装着した上でご提供したいと考えました。その理由をご説明したいと思います。
3Dプリンタの世界的な普及に伴い、低価格で高性能な2相ステッピングモータ用ドライバがたくさん出回るようになりました。たとえば今回使用したCNCシールドには、A4988というドライバモジュールが搭載されていますが、これは単品ですとたったの300円程度で入手することができます。一方、5相ステッピングモータ用ドライバは最低でも1.2万円、サーボモータ用ドライバとなると5万円以上します。
今回、そのA4988ドライバモジュールを使ってアクチュエータを駆動させてみたところ、このページの下のほうの動画にあるように、2500mm/minの速さで8kgもの重さを上下できました。垂直で8kgということは、水平ならその何倍もの可搬質量ということになります。このため、もはや何十倍、何百倍ものコストを掛けてまで5相やサーボを使う必要はないように思いました。
2相ステッピングモーターならば世界中にあるたくさんのドライバを利用できますし、当社のTRAやTRIOにだって接続可能です。さらに、2相のドライバはこれからも速いスピードで進化し、より高性能なものを低価格で入手できるようになるでしょう。そう考えると、5相やサーボを選ぶことは、デメリットにさえ思えてきます。
もちろん5相やサーボは当社でも販売しておりますのでご購入いただければ嬉しいのですが、ここは2相ステッピングモーターにしておいてコストを抑え、その分メカのほうにお金をかけたほうがいいような気がします。メカは、基板やソフトに比べて、作り直すのに大変な手間と費用がかかるからです。なので最初からある程度良いメカにしておいたほうが、長期的に見て後悔のない結果となるように思います。
このような理由から、2相ステッピングモータを装着した状態でご提供させていただくに至りました。私たちは今後も、アクチュエータに2相ステッピングモータを装着させた上でご提供してみたいと思っています。
■商品の状態
未使用品のため綺麗です。(アクチュエータ本体も、モーターもケーブルもセンサもカップリングも全部未使用品です)
ステッピングモータ用ケーブル、リミットセンサ(近接センサ)を付属します。
ArduinoやCNCシールド基板は付属しません。
もちろんこのCNCシールドに限らず、他のあらゆるドライバで動かすことができます。(今回付属するケーブルはArduino+CNCシールド基板に合わせてバイポーラ仕様に変更してあるため、ユニポーラのドライバで駆動する場合には、別途ケーブルをご用意いただく必要がございます。)
以降の説明は、下記を前提としています。
・ArduinoとCNCシールドは、こちら(Amazon)から購入したものを使用しています。
・そのArduinoには、最新版のGrblをアップロードしています。
Arduinoで動かすには、コネクタを下記の写真と図を参照してCNCシールドに差し込んでください。(CNCシールドのコネクタがピンヘッダのため誤挿入を防止することができません。差し込み箇所を間違えないようご注意をお願いします。)


※本アクチュエータに装着されているセンサの電源電圧はDC12~24Vですので、(+)の赤い線は、CNCシールドの電源端子の+に接続します。
■垂直可搬質量について
本アクチュエータに装着されている2相ステッピングモータ駆動した場合、具体的にどのぐらいの可搬質量になるのかを、簡単な方法ではありますが、おもりを使って調べてみました。
結果は、8kgのおもりを上下させることができました。このページの下のほうで動画がご覧になれます。垂直で8kgということは水平ではその何倍もの可搬質量を得られますが、アクチュエータ自体の定格を超えることはできません。アクチュエータ自体の定格荷重についてはメーカーのカタログでご確認いただけます。

■原点復帰について
アクチュエータ本体にリミットセンサ(近接センサ)が取り付けられています。Arduinoでは、リミットセンサを原点としても使用します。リミットセンサからのケーブルの先端にコネクタを取り付けておきましたので、上記の通りに差し込んで頂ければ原点復帰ができます。
今回、アクチュエータに装着されているセンサがフォトマイクロセンサではなく近接センサなので、原点復帰後の停止位置の繰り返し精度があまり良くないのではないかと思っていたのですが、当社のテストでは0.01mm以下と良好でした。
リミットセンサの配線についてですが、ステッピングモータと一緒に束ねないことをおすすめします。ステッピングモータから発せられるノイズは非常に強く、それがセンサのラインに乗ってしまい、原点復帰が正常に行われない場合があります。
なお、原点復帰は、デフォルトでZ軸→XY軸というように動作するため、3軸揃っていなければ完了できません。しかし今回は、1軸のみで使用するため、config.hを下記のように変更し、X軸だけで原点復帰が完了できるようにしています。
詳しくはこちらをご覧ください。

■ドライバ(A4988)の設定について
A4988には、モータに電流が流れ過ぎないよう電流を制限する機能が搭載されています。その電流値は、下記の写真のようにドライバ基板上のボリュームを回しながら、ボリュームとGND間の電圧(VREF)を調整することで設定します。下記はその電圧(VREF)を算出するための計算式です。
Imax=Vref/0.4
本アクチュエータに装着のステッピングモータは、当社のテストでは、Imaxを1.5Aとして設定するとちょうどよいと判断しました。この計算式にあてめると、VREFが0.6Vになります。ボリュームとGND間の電圧が0.6Vになるよう調整を行ってください。
なお、運転の頻度によって異なりますが、A4988の発熱が大きくなり、CNCシールドに付属のヒートシンクでは不十分になる可能性があります。その場合はヒートシンクを大きくするか、電流値を下げてご使用ください。


■Grblの設定について
$100(1mmあたりのステップ数)の設定は、ボールネジのピッチが10mm、ステッピングモータの1周あたりのパルス数が3200なので、3200÷10=320となり、$100=320となります。
$27(homing pull-off)の設定は、3.0以上に設定してください。私たちは当初、この設定を1.0にしていたのですが、エラーが発生してしまい、原点復帰後の停止位置にもバラツキがありました。原因は、付属の近接センサの検出エリアが広いためでした。つまり、原点復帰では終了後に$27で設定した距離だけ動くようになっているのですが、そのあともリミットが働いたままだとエラーになってしまうのです。このため3.0に変更してあげるとエラーが出なくなります。
$5の設定 (limit pins invert)は0としてください。付属のリミットセンサは検出時にONとなるタイプのためです。
$1は、次の動作に移るまでの停留時間ですが、255に設定すると停止時にもモータに電流を流し位置を保持します。今回はおもりを上下させる運転を行ったため255にしました。そうしないと停止した瞬間に落下してしまうためです。ただ発熱してしまうので、用途にあわせて設定を変更してください。
そのほかの最高速度や加減速の設定は用途に合わせて調整してください。
実際に下記の設定値で動作させたところを動画に収めました。このページの下のほうでご覧になれます。

※1周あたりのパルス数が3200というのは、CNCシールドのマイクロステップの分割数を1/16にしているためです。下記の青い枠のところにショートピンを3つ接続すると1/16になります。

■アルミハンドルについて
本アクチュエータに装着されている2相ステッピングモータは、両軸タイプではありますが、片側が丸シャフトではなくギヤになっています。
このためプーリーなどは取り付けることができませんが、ハンドルならば問題ありません。自動だけではなく手動でも動かしたいという場合には便利ですので、よろしければご利用ください。
アルミハンドルはこちらから購入可能です。(131097 アルミハンドル穴径Φ5が適用可能です)

■座標モニタ(デジタルリードアウト)について
本アクチュエータに装着しているステッピングモータ(KH56KM2MP-003)には、アバゴテクノロジー製のエンコーダモジュール(HEDS-5645)が搭載されています。データシートはこちらのサイトで公開されています。
これを利用すれば、座標モニタ(デジタルリードアウト)をつくることができます。自動で動かす時はPC画面で座標を確認できますが、手動で動かすときも座標を知りたいという場合にはとても便利です。
こちらの作品のようにマイコンを使ってデジタルリードアウトを自作するというのも面白と思います。
その際には7セグメントディスプレイ 10個入りをお安くご提供していますので合わせてご検討ください。
当社では手っ取り早くオムロンのカウンタ(H7CX-A11-N)を使用した座標モニタを作ってみました。リアルタイムで座標が変化するようすを動画に収めました。このページの下のほうでご覧になれます。
参考までに下記に回路図を掲載します。(当社で実際に製作し正常に動作することを確認した上で掲載しています)
※パスコンは回路図の通り入れる必要があります。TLP554は高感度のアンプを内蔵しており発振を起こしやすいためです。
※ノイズについても正確な位置表示のためにはきちんと配慮してあげる必要があります。最低でもエンコーダーとモータのケーブルは分離させたほうがよいです。



オムロンのカウンタは下記のように設定しました。
・NPN/PNP入力モード(DIPスイッチ):NPN
・入力モード:UP/DOWN C (位相差入力)
・計数速度:5kHz
・プリスケール:0.025(エンコーダーの分解能が400p/r、ボールネジのリードが10mmなので、 10mm÷400p/r=0.025)
・小数点位置(dP):----.--
■当社にて2相ステッピングモータを装着した上でご提供する理由
今回のようなアクチュエータは、多くの場合、5相ステッピングモータか、サーボモータを装着して使用することがほとんどですが、今回私たちは、2相ステッピングモータを装着した上でご提供したいと考えました。その理由をご説明したいと思います。
3Dプリンタの世界的な普及に伴い、低価格で高性能な2相ステッピングモータ用ドライバがたくさん出回るようになりました。たとえば今回使用したCNCシールドには、A4988というドライバモジュールが搭載されていますが、これは単品ですとたったの300円程度で入手することができます。一方、5相ステッピングモータ用ドライバは最低でも1.2万円、サーボモータ用ドライバとなると5万円以上します。
今回、そのA4988ドライバモジュールを使ってアクチュエータを駆動させてみたところ、このページの下のほうの動画にあるように、2500mm/minの速さで8kgもの重さを上下できました。垂直で8kgということは、水平ならその何倍もの可搬質量ということになります。このため、もはや何十倍、何百倍ものコストを掛けてまで5相やサーボを使う必要はないように思いました。
2相ステッピングモーターならば世界中にあるたくさんのドライバを利用できますし、当社のTRAやTRIOにだって接続可能です。さらに、2相のドライバはこれからも速いスピードで進化し、より高性能なものを低価格で入手できるようになるでしょう。そう考えると、5相やサーボを選ぶことは、デメリットにさえ思えてきます。
もちろん5相やサーボは当社でも販売しておりますのでご購入いただければ嬉しいのですが、ここは2相ステッピングモーターにしておいてコストを抑え、その分メカのほうにお金をかけたほうがいいような気がします。メカは、基板やソフトに比べて、作り直すのに大変な手間と費用がかかるからです。なので最初からある程度良いメカにしておいたほうが、長期的に見て後悔のない結果となるように思います。
このような理由から、2相ステッピングモータを装着した状態でご提供させていただくに至りました。私たちは今後も、アクチュエータに2相ステッピングモータを装着させた上でご提供してみたいと思っています。
■商品の状態
未使用品のため綺麗です。(アクチュエータ本体も、モーターもケーブルもセンサもカップリングも全部未使用品です)
ステッピングモータ用ケーブル、リミットセンサ(近接センサ)を付属します。
ArduinoやCNCシールド基板は付属しません。
在庫数
売り切れ