Sold Out
多少使用感がありますが、精度は保たれています。
実際にモーターを取り付けて本体およびリミットセンサが正常であることを確認しました。センサは常時ONのタイプです。(ドグを近づけるとOFFするタイプになります。)
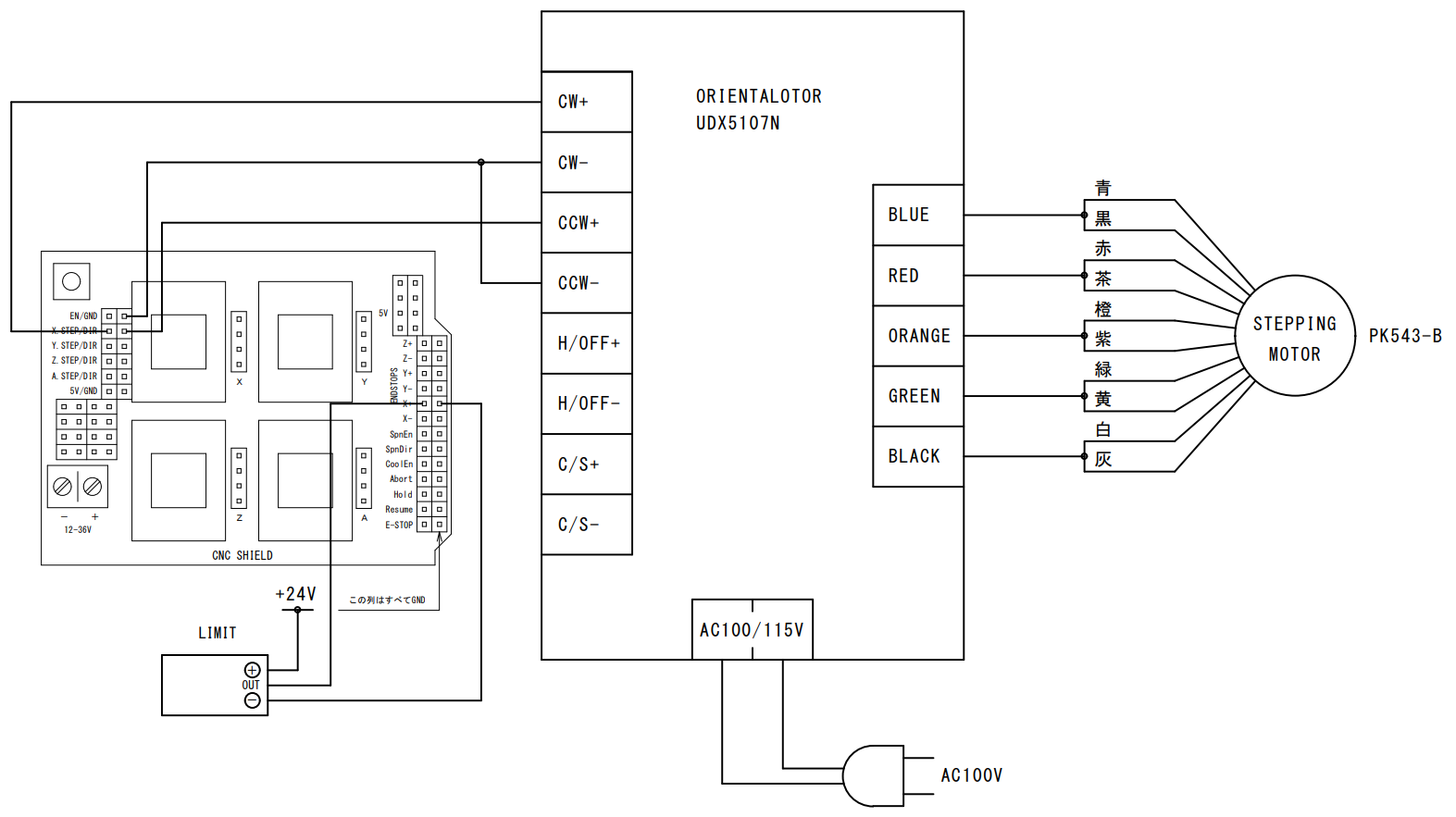
上の動画は、Arduino+CNCシールドを使用して動かしています。下記はその際の回路図です。ご使用の際の参考にしてください。(クリックで拡大できます)

Arduinoで動かす場合には下記の記事もお役に立つかもしれません。よろしければご覧ください。
・Arduinoで動くアクチュエータ NSK モノキャリア MCM08020P10-301A
THK アクチュエータ KR3010D-280
商品コード
51281
商品の概要と仕様
THKのLMガイドとボールねじを一体化した、高剛性、高精度、コンパクトなアクチュエータです。
当社ではストロークが200~400mm程度のものが人気ですが、このアクチュエータはちょうどいいストロークではないでしょうか。
ボールねじの種類:精密
全長:470mm(モータ取付金具は除く)
ボールねじの径:Φ10mm
ボールねじのリード:10mm
入力軸径:Φ6mm
ストローク:約280mm(2つのブロックを密着させた場合)
2個のブロックのうち、1個はガイド用のためフリーになっており、ボールねじを回転させても移動しません。この2個のブロックの間隔を大きくとると、ストロークは短くなりますがピッチング方向のモーメントに強くなります。
側面にはセンサレールが装着されており、そのレールにリミットセンサが一つ付いています。ストローク全域にわたり、どの位置にも移動することができます。
当社にてモーター取り付け金具とカップリングを装着してありますので、下記のステッピングモーターを簡単に取り付けることができます。
・OKI ステッピングモータ KHP42J2501
・オリエンタルモーター ステッピングモーターとドライバのセット PK543-B+UDX5107N
・当社オリジナル42mm角2相ステッピングモーター(両軸タイプ)
「Arduinoでメカトロニクス製品を動かそう」では、Arduinoで動かす場合の詳細なご説明をしていますので、ぜひご覧ください。
当社ではストロークが200~400mm程度のものが人気ですが、このアクチュエータはちょうどいいストロークではないでしょうか。
ボールねじの種類:精密
全長:470mm(モータ取付金具は除く)
ボールねじの径:Φ10mm
ボールねじのリード:10mm
入力軸径:Φ6mm
ストローク:約280mm(2つのブロックを密着させた場合)
2個のブロックのうち、1個はガイド用のためフリーになっており、ボールねじを回転させても移動しません。この2個のブロックの間隔を大きくとると、ストロークは短くなりますがピッチング方向のモーメントに強くなります。
側面にはセンサレールが装着されており、そのレールにリミットセンサが一つ付いています。ストローク全域にわたり、どの位置にも移動することができます。
当社にてモーター取り付け金具とカップリングを装着してありますので、下記のステッピングモーターを簡単に取り付けることができます。
・OKI ステッピングモータ KHP42J2501
・オリエンタルモーター ステッピングモーターとドライバのセット PK543-B+UDX5107N
・当社オリジナル42mm角2相ステッピングモーター(両軸タイプ)
「Arduinoでメカトロニクス製品を動かそう」では、Arduinoで動かす場合の詳細なご説明をしていますので、ぜひご覧ください。
商品の状態
多少使用感がありますが、精度は保たれています。
実際にモーターを取り付けて本体およびリミットセンサが正常であることを確認しました。センサは常時ONのタイプです。(ドグを近づけるとOFFするタイプになります。)
上の動画は、Arduino+CNCシールドを使用して動かしています。下記はその際の回路図です。ご使用の際の参考にしてください。(クリックで拡大できます)

Arduinoで動かす場合には下記の記事もお役に立つかもしれません。よろしければご覧ください。
・Arduinoで動くアクチュエータ NSK モノキャリア MCM08020P10-301A
在庫数
売り切れ