Sold Out
5相互換モーターマウント付き両軸2相ステッピングモーター 日本電産サーボ KH56KM2MP-003
商品コード
51293
商品の概要と仕様
5相ステッピングモーターと取り付け穴のピッチが共通のモーターマウント付き両軸2相ステッピングモーターです。
ユニポーラ
巻線抵抗:0.7Ω/相
シャフト径:歯切り、Φ6mm
アバゴ・テクノロジー製のエンコーダモジュール(HEDS-5645)搭載
ArduinoやLerdge-X基板などに搭載されているドライバモジュールで駆動する場合は、以下の図のように6本のうち4本しか使いません。このステッピングモーターはユニポーラですが、それをバイポーラとして使うためです。

「Arduinoでメカトロニクス製品を動かそう」では、Arduinoで動かす場合の詳細なご説明をしていますので、ぜひご覧ください。
この動画は、NSK アクチュエーター HD2225-702-002に取り付けて動かしているようすです。
トルクにつきましてはこの動画が参考になります。NSK モノキャリア MCM08020P10-301A(ボールねじのリード10mm)に、8kgのおもりを載せて上下させています。
ユニポーラ
巻線抵抗:0.7Ω/相
シャフト径:歯切り、Φ6mm
アバゴ・テクノロジー製のエンコーダモジュール(HEDS-5645)搭載
ArduinoやLerdge-X基板などに搭載されているドライバモジュールで駆動する場合は、以下の図のように6本のうち4本しか使いません。このステッピングモーターはユニポーラですが、それをバイポーラとして使うためです。
「Arduinoでメカトロニクス製品を動かそう」では、Arduinoで動かす場合の詳細なご説明をしていますので、ぜひご覧ください。
この動画は、NSK アクチュエーター HD2225-702-002に取り付けて動かしているようすです。
トルクにつきましてはこの動画が参考になります。NSK モノキャリア MCM08020P10-301A(ボールねじのリード10mm)に、8kgのおもりを載せて上下させています。
商品の状態
このモーターマウント付きステッピングモーターの利点は大きく3つあります。
【1】5相ステッピングモーターと取り付けピッチが共通
5相ステッピングモーターの取り付け穴のピッチは50mmですが、このモーターマウントの取り付け穴も共通の50mmとなっています。多くのアクチュエータは5相ステッピングモーターが取り付けられるようになっていることが多いのですが、もし「アクチュエータはあるけどモーターがない」というお客様がいらっしゃれば、お役に立てるのではないかと思います。
装着例は下記でご覧になれます。
・NSK アクチュエーター HD2225-702-002
【2】座標モニタ(デジタルリードアウト)がつくれる
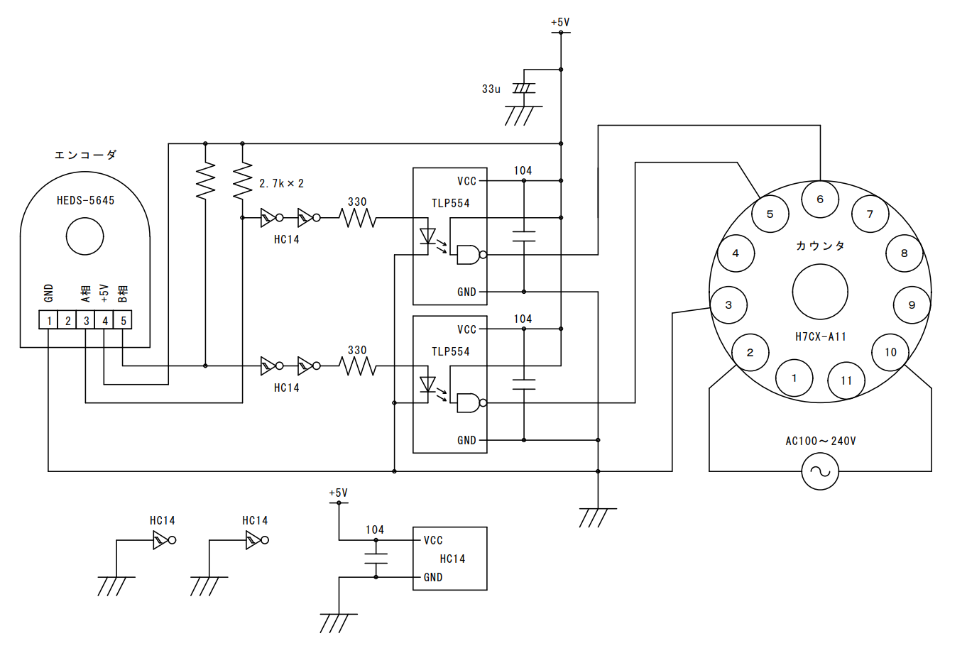
このステッピングモーターには、アバゴテクノロジー製のエンコーダモジュール(HEDS-5645)が搭載されています。データシートはこちらのサイトで公開されています。
これを利用すれば、座標モニタ(デジタルリードアウト)をつくることができます。自動で動かす時はPC画面で座標を確認できますが、手動で動かすときも座標を知りたいという場合にはとても便利です。
こちらの作品のようにマイコンを使ってデジタルリードアウトを自作するというのも面白と思います。
その際には7セグメントディスプレイ 10個入りをお安くご提供していますので合わせてご検討ください。
当社では手っ取り早くオムロンのカウンタ(H7CX-A11-N)を使用した座標モニタを作ってみました。
リアルタイムで座標が変化するようすが下記の動画でご覧になれます。
参考までに下記に回路図を掲載します。(当社で実際に製作し正常に動作することを確認した上で掲載しています)
※パスコンは回路図の通り入れる必要があります。TLP554は高感度のアンプを内蔵しており発振を起こしやすいためです。
※ノイズについても正確な位置表示のためにはきちんと配慮してあげる必要があります。最低でもエンコーダーとモータのケーブルは分離させたほうがよいです。



オムロンのカウンタは下記のように設定しました。
・NPN/PNP入力モード(DIPスイッチ):NPN
・入力モード:UP/DOWN C (位相差入力)
・計数速度:5kHz
・プリスケール:0.025(エンコーダーの分解能が400p/r、ボールネジのリードが10mmなので、 10mm÷400p/r=0.025)
・小数点位置(dP):----.--
【3】アルミハンドルやダンパを取り付けることができる
このステッピングモータは、両軸タイプではありますが、片側が丸シャフトではなくギヤになっています。このためプーリーなどは取り付けることができませんが、ハンドルやダンパなら問題ありません。
下記のアルミハンドルを装着することができます。

▲アルミハンドル(穴径Φ5 商品コード:131097が適用可能です)
また、振動を吸収するためのダンパも取り付け可能です。

▲オリエンタルモーター クリーンダンパ D4CL-5.0
【1】5相ステッピングモーターと取り付けピッチが共通
5相ステッピングモーターの取り付け穴のピッチは50mmですが、このモーターマウントの取り付け穴も共通の50mmとなっています。多くのアクチュエータは5相ステッピングモーターが取り付けられるようになっていることが多いのですが、もし「アクチュエータはあるけどモーターがない」というお客様がいらっしゃれば、お役に立てるのではないかと思います。
装着例は下記でご覧になれます。
・NSK アクチュエーター HD2225-702-002
【2】座標モニタ(デジタルリードアウト)がつくれる
このステッピングモーターには、アバゴテクノロジー製のエンコーダモジュール(HEDS-5645)が搭載されています。データシートはこちらのサイトで公開されています。
これを利用すれば、座標モニタ(デジタルリードアウト)をつくることができます。自動で動かす時はPC画面で座標を確認できますが、手動で動かすときも座標を知りたいという場合にはとても便利です。
こちらの作品のようにマイコンを使ってデジタルリードアウトを自作するというのも面白と思います。
その際には7セグメントディスプレイ 10個入りをお安くご提供していますので合わせてご検討ください。
当社では手っ取り早くオムロンのカウンタ(H7CX-A11-N)を使用した座標モニタを作ってみました。
リアルタイムで座標が変化するようすが下記の動画でご覧になれます。
参考までに下記に回路図を掲載します。(当社で実際に製作し正常に動作することを確認した上で掲載しています)
※パスコンは回路図の通り入れる必要があります。TLP554は高感度のアンプを内蔵しており発振を起こしやすいためです。
※ノイズについても正確な位置表示のためにはきちんと配慮してあげる必要があります。最低でもエンコーダーとモータのケーブルは分離させたほうがよいです。



オムロンのカウンタは下記のように設定しました。
・NPN/PNP入力モード(DIPスイッチ):NPN
・入力モード:UP/DOWN C (位相差入力)
・計数速度:5kHz
・プリスケール:0.025(エンコーダーの分解能が400p/r、ボールネジのリードが10mmなので、 10mm÷400p/r=0.025)
・小数点位置(dP):----.--
【3】アルミハンドルやダンパを取り付けることができる
このステッピングモータは、両軸タイプではありますが、片側が丸シャフトではなくギヤになっています。このためプーリーなどは取り付けることができませんが、ハンドルやダンパなら問題ありません。
下記のアルミハンドルを装着することができます。

▲アルミハンドル(穴径Φ5 商品コード:131097が適用可能です)
また、振動を吸収するためのダンパも取り付け可能です。

▲オリエンタルモーター クリーンダンパ D4CL-5.0
在庫数
売り切れ